

![]()
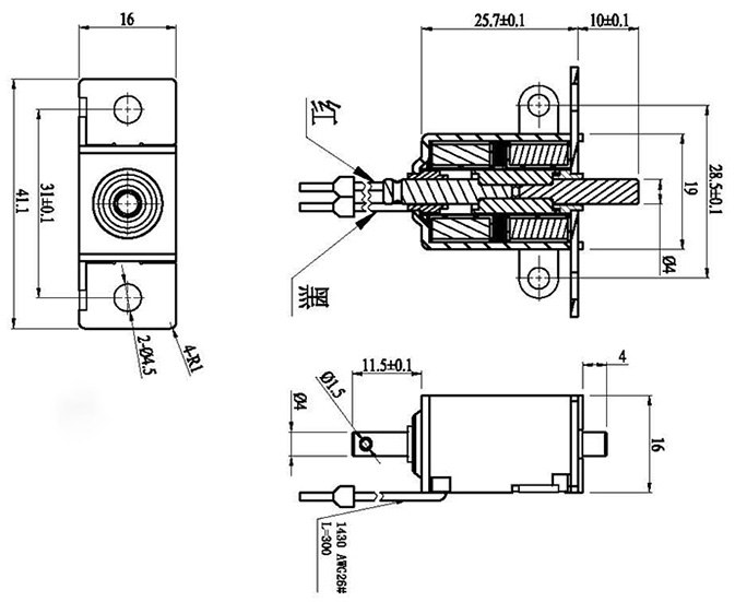
1.基礎參數(RATED VOLTAGE)
1-1 工作環境.溫度(OPERATLNG AMBIENCE LEMP/HUMIDITY): -20℃~+65℃,5%~95RH
1-2 儲存環境.溫度(STORE AMBIENCE IEMP/HUMIDITY): -20℃~+45℃,5%~45%RH
1-3 絕緣電阻(INSULATTON RESISTANTOR):DC500V,≥500MΩ(線圈與骨架之間)
1-4 耐電壓(DIELECTRIC STRENGTH): DC700V,50/60Hz-1秒(線圈與外殼之間)
1-5 功率(POWER): 14.4W DC12V,R=10Ω±10%
1-6 絕緣等級(INSULATION CLASS):B級 130℃
1-7 使用電壓范圍(OPRATION VOLTAGE): DC12V±5%
1-8 行程-吸力(STROKE-FORCE):0mm:≥450g (不通電保持力)
1-9 通電率(DUTY CYCLE):10%ED 間歇型(INTERMITTENT),通電0.05秒,斷電0.5秒
1-10 壽命(LIFE): ≥50萬次 DC12V 通0.05秒,斷0.5秒為1次
1-11 溫升(TEMPERAITURE RISE):≤80℃ DC12V 通0.05秒,斷0.5秒 1小時空載
1-12 響應時間(RESPONSE TIME): ≥50ms DC12V 行程=6mm 空載
1-13 環保(RoHS):符合歐盟 2020/95/EC(RoHS)
1-14 引線強度(DEADING STRENGTH):1.5Kgf-30秒,引線正常

| * 聯系人: | 請填寫您的真實姓名 |
| * 手機號碼: | 請填寫您的聯系電話 |
| 電子郵件: | |
| * 采購意向描述: | |
| 請填寫采購的產品數量和產品描述,方便我們進行統一備貨。 | |
| 驗證碼: |
|
| 我要評論: | |
| 內 容: |
(內容最多500個漢字,1000個字符) |
| 驗證碼: | 看不清?! |








共有-條評論【我要評論】