![]()

![]()


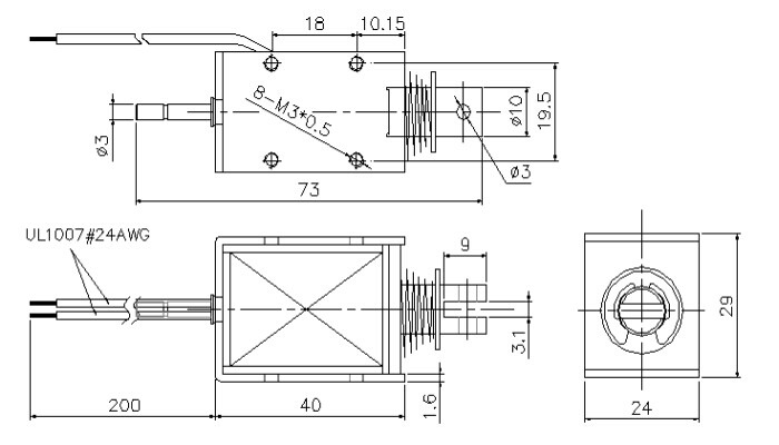
![]() | Continuous | Intermittent | Intermittent | Intermittent | |
| (100%)連續 | (50%)間歇 | (25%)間歇 | (10%)間歇 | ||
| 20℃時的功率 Watts at 20℃ | 4 | 8 | 16 | 40 | |
| 最大通電時間(秒)MAX."ON" time in seconds | ∞ | 120 | 50 | 10 | |
| 型號 Type no. | 20℃時電阻值Resistance(20℃)±10% | 直流電壓DC Volts | |||
| JL-1040-06V | 9 | 6 | 8.5 | 12 | 19 |
| JL-1040-12V | 34 | 12 | 17 | 24 | 38 |
| JL-1040-24V | 137 | 24 | 34 | 48 | 76 |
| JL-1040-48V | 549 | 48 | 68 | 96 | 152 |
* 表示必填采購:電磁鐵JL-1040
| * 聯系人: | 請填寫您的真實姓名 |
| * 手機號碼: | 請填寫您的聯系電話 |
| 電子郵件: | |
| * 采購意向描述: | |
| 請填寫采購的產品數量和產品描述,方便我們進行統一備貨。 | |
| 驗證碼: |
|
| 我要評論: | |
| 內 容: |
(內容最多500個漢字,1000個字符) |
| 驗證碼: | 看不清?! |












共有-條評論【我要評論】